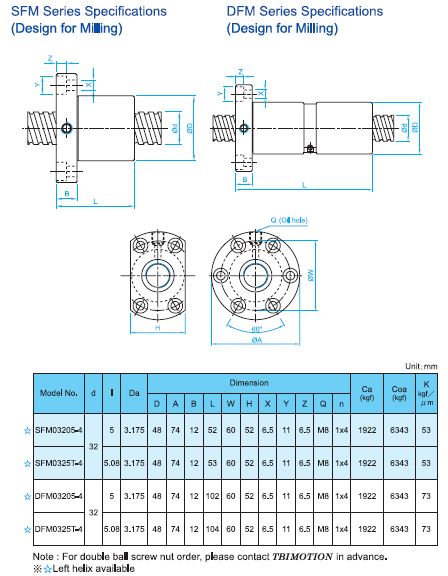
TBI DFM type ballscrew is belong to Internal Return Series and it widely used in industrial area.
Feature:
1. Space saving nternal circulate design
2. Low friction force with 1/3 over acme screw
3. Ensure for high accuracies
4. Micro feed with tolerance within in 0.1μm
5. Zero backlash, high stiffness.
Application:
For delicate application in industrial application, machine tool and automation application.

